FREELANDER 1 TD4 intercooler to turbo hose
FREELANDER 1 TD4 intercooler to turbo hose, all years.

Marque du produit : Allmakes UK
FREELANDER 1 TD4 pipe exhaust gas recirculation, all years.
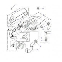
Piece n° 13 on the picture.
FREELANDER 1 TD4 intercooler to turbo hose, all years.
Hose intercooler to inlet manifold FREELANDER 1 TD4.
FREELANDER 1 TD4 intercooler hose with temp sensor.
From Vin n°
Valve cap - Set of for - Logo Land Rover
FREELANDER 1 TD4 TURBO OUTLET TO INTERCOOLER HOSE.
Clutch slave cyl. for LR88/109 S3 except V8 & Defender D/TD/200TDi
Wiper Blade -Freelander 1 - Front - driver side - LHD models
clutch Master cylinder - Defender - series 3 - TWR
FREELANDER 1 TD4 pipe exhaust gas recirculation, all years.
Piece n° 13 on the picture.